How to search

Reference: SEARCH HELP

PRODUCT SEARCH TIPS

(0)
Tip - For best search results Search by Model number Don't use hyphens or spaces
More PRODUCT SEARCH TIPS
In stock
Genuine Sony TV Remote
$69.00
More Sony TV Remote X7000D X7500D X8000D X8000E X8001E X8500D X8500E X9000E X9300D X9300E X9400D X9400E RMF-TX300A series
Available In Stock
All best sellers
  • Banner

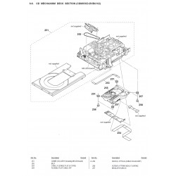
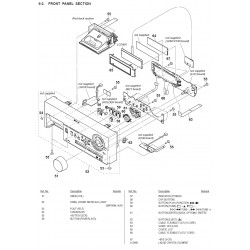
HCDMX750NI Sony Audio Exploded Diagram
  • HCDMX750NI Sony Audio Exploded Diagram
  • HCDMX750NI Sony Audio Exploded Diagram
  • HCDMX750NI Sony Audio Exploded Diagram
  • HCDMX750NI Sony Audio Exploded Diagram
  • HCDMX750NI Sony Audio Exploded Diagram
  • HCDMX750NI Sony Audio Exploded Diagram
  • HCDMX750NI Sony Audio Exploded Diagram

HCDMX750NI Sony Audio Exploded Diagram

ED-HCDMX750NI
Sony

Sony Exploded Views

FREE

Sony Exploded Diagram to help you find parts required.

Please view diagrams and Email us the Part location and Model number of system for a quote.

Email here: Click Here

Quantity

Description

Please Note: We only ship within Australia

Product Details
ED-HCDMX750NI
Comments (0)
Grade
16 other products in the same category:
CAN'T FIND YOUR PART?

Reference: CAN'T FIND YOUR PART ?

CAN'T FIND YOUR PART ?

(0)
Try searching with and without the hyphen in the model number .  example : Model KD-75X9400E or KD75X9400E
More CAN'T FIND YOUR PART ?
In stock
BDVN9200W Speakers Sony Audio Exploded Diagram

Reference: ED-BDVN9200W

Brand: Sony

BDVN9200W Speakers Sony Audio Exploded Diagram SS-TSB133 SS-CTB125 SS-TSB138 SS-WSB126

(0)
Sony Exploded Views FREE Sony Exploded Diagram to help you find parts required. Please view diagrams and Email us the Part location and Model number of system for a quote. Email here: Click Here
More BDVN9200W Speakers Sony Audio Exploded Diagram SS-TSB133 SS-CTB125 SS-TSB138 SS-WSB126
In stock