ED-MHCV11
Sony Exploded Views
FREE
Sony Exploded Diagram to help you find parts required.
Please view diagrams and Email us the Part location and Model number of system for a quote.
Email here: Click Here
Warning: Last items in stock!
Availability date:
 
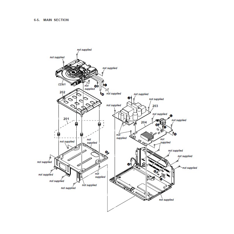
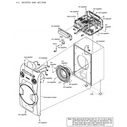
					MHCV11 Sony Audio Exploded Diagram
Sony Exploded Views
FREE
Sony Exploded Diagram to help you find parts required.
Please view diagrams and Email us the Part location and Model number of system for a quote.
Email here: Click Here
Recipient :
* Required fields
or Cancel
Please Note: We only ship within Australia
No customer reviews for the moment.
 
				 
				 
				 
				 
				 
				 
				 
				 
				 
				 
				 
				 
				 
				 
				 
				 
				 
				 
				 
				 
				 
				 
				 
				 
				 
				 
				 
				 
				 
				