Reference: SEARCH HELP
Reference: SEARCH HELP
Reference: S0502591802
Brand: Sony
Reference: S0149317621
Brand: Sony
Reference: S0504850301
Brand: Sony
Reference: S0502591812
Brand: Sony
Reference: S0149332211
Brand: Sony
Reference: S0A5036913B
Reference: S0149355512
Brand: Sony
Banner
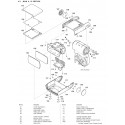
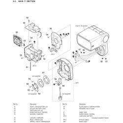
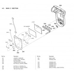
Sony Exploded Views
FREE
Sony Exploded Diagram to help you find parts required.
Please view diagrams and Email us the Part location and Model number of system for a quote.
Email here: Click Here
Your review appreciation cannot be sent
Report comment
Report sent
Your report cannot be sent
Write your review
Review sent
Your review cannot be sent
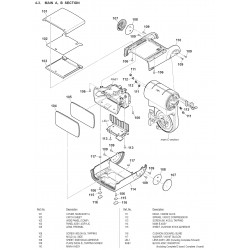
Sony Exploded Views
FREE
Sony Exploded Diagram to help you find parts required.
Please view diagrams and Email us the Part location and Model number of system for a quote.
Email here: Click Here
check_circle
check_circle